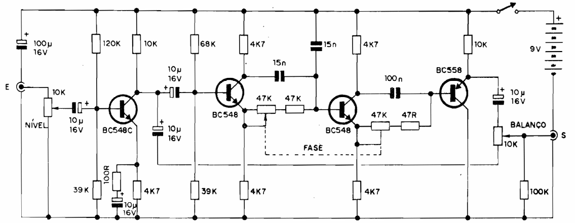
This guitar effect circuit uses components that are still common in our market. We found the circuit in an old documentation and its supply must be made by battery to avoid the capture of hum from the power grid if a source is used.
This guitar effect circuit uses components that are still common in our market. We found the circuit in an old documentation and its supply must be made by battery to avoid the capture of hum from the power grid if a source is used.