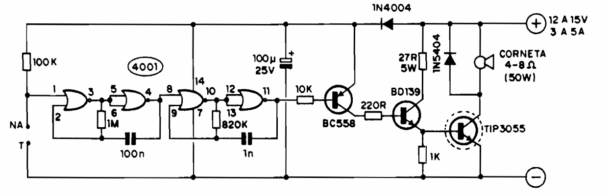
This powerful siren is suitable for warning or alarm systems. The components are current and the transistor 3055 must be mounted on a good heat sink.
This circuit can be installed inside a toy space gun to produce a “Phaser” effect. The circuit is from...
Found in an English publication from 1967, this circuit generates 5 kHz signals with harmonics that...
The characteristics of this amplifier that does not require a symmetrical source are given in the...