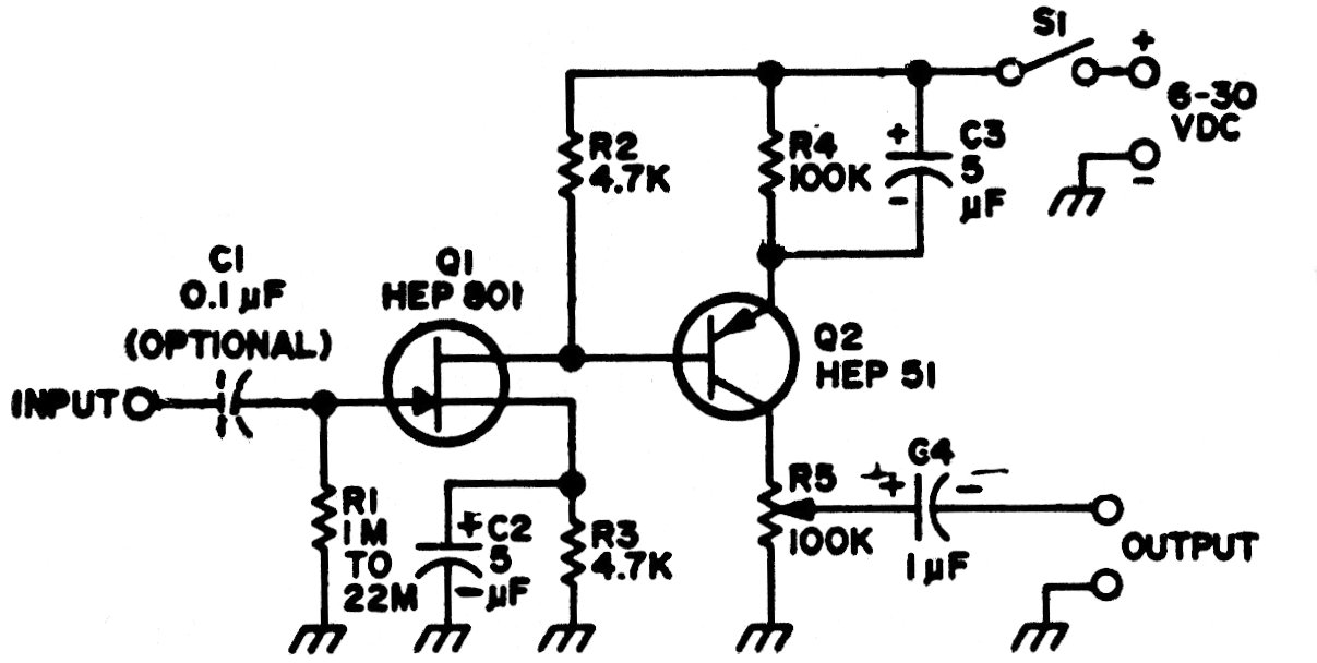
This step of two transistors has a high input impedance due to the use of FET. We can use BF245 for this function and the bipolar can be BC548. The circuit is from an 1975 American documentation.
This is the traditional configuration of a 6 or 12 V source with 7806 or 7812 integrated circuits, for a...
This fader or guitar fading circuit was found in an American documentation from the 1980s. The...
Found in documentation from the 1960s, this power supply employs germanium diodes from the time....