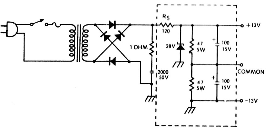
This 12 V symmetrical power supply provides a current of the order of 100 mA according to the transformer used. The diodes can be 1N4002 and the zener can be 1 W. Observe the dissipation of the resistors.
This 12 V symmetrical power supply provides a current of the order of 100 mA according to the transformer used. The diodes can be 1N4002 and the zener can be 1 W. Observe the dissipation of the resistors.