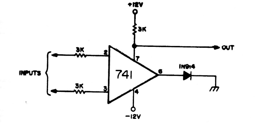
This 1980s documentation circuit uses a 741 in a different high-speed comparator configuration. The feed must be symmetrical. The diode is general-purpose.
This is the traditional configuration of a 6 or 12 V source with 7806 or 7812 integrated circuits, for a...
This fader or guitar fading circuit was found in an American documentation from the 1980s. The...
Found in documentation from the 1960s, this power supply employs germanium diodes from the time....