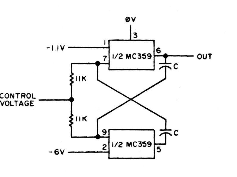
We found this circuit in documentation from the 1980s. The integrated circuit used is uncommon today, and the use of a modern equivalent should be analyzed.
We found these circuits in a Popular Electronics from the 90s. The circuit has a simple low power...
This LED diode test is suggested by the Texas Instruments optoelectronics manual. The transformer current...
This RF monitor or field strength meter can use instruments from 100 uA to 1 mA full scale. The...