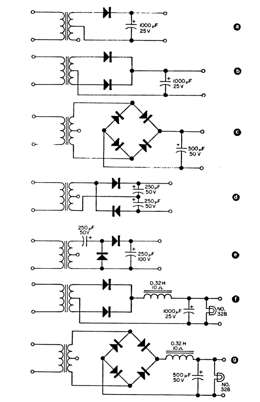
In the figure below we have the main configurations of power supplies with the most used rectification and filtering steps. The components must be in accordance with the current voltage desired in each case.
In the figure below we have the main configurations of power supplies with the most used rectification and filtering steps. The components must be in accordance with the current voltage desired in each case.