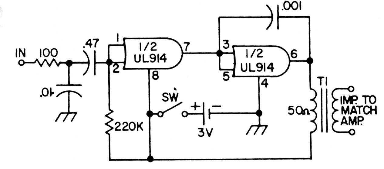
This circuit is from a documentation from the 70s. The circuit uses logic gates of the time, which in many cases were arrays of transistors allowing use as audio amplifiers, as in this case.
This simple circuit is from a Radio Electronics from July 1965. The circuit can be assembled with...
Found in the May 1975 issue of Radio Electronics magazine, this circuit turns on after a certain...
We found this circuit in a 1965 General Electric documentation. The circuit generates synchronized...