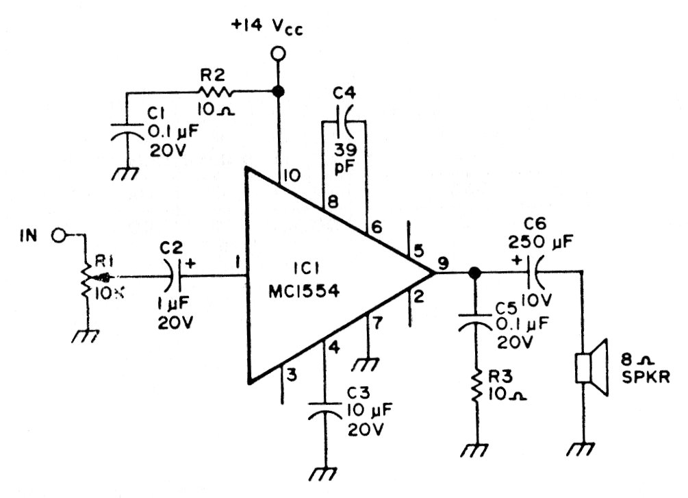
This is an amplifier from the 70s. The integrated circuit used is uncommon today and the power supplied is not the greatest. The circuit is from Motorola.
Texas Instruments PCM5242 Audio Stereo Differential-Output DAC is a monolithic CMOS integrated...
Emitt This crystal-controlled oscillator can generate signals from 100 kHz to over 30MHz. The...
With this circuit it is possible to fire an SCR from the light that falls on a phototransistor. The circuit...