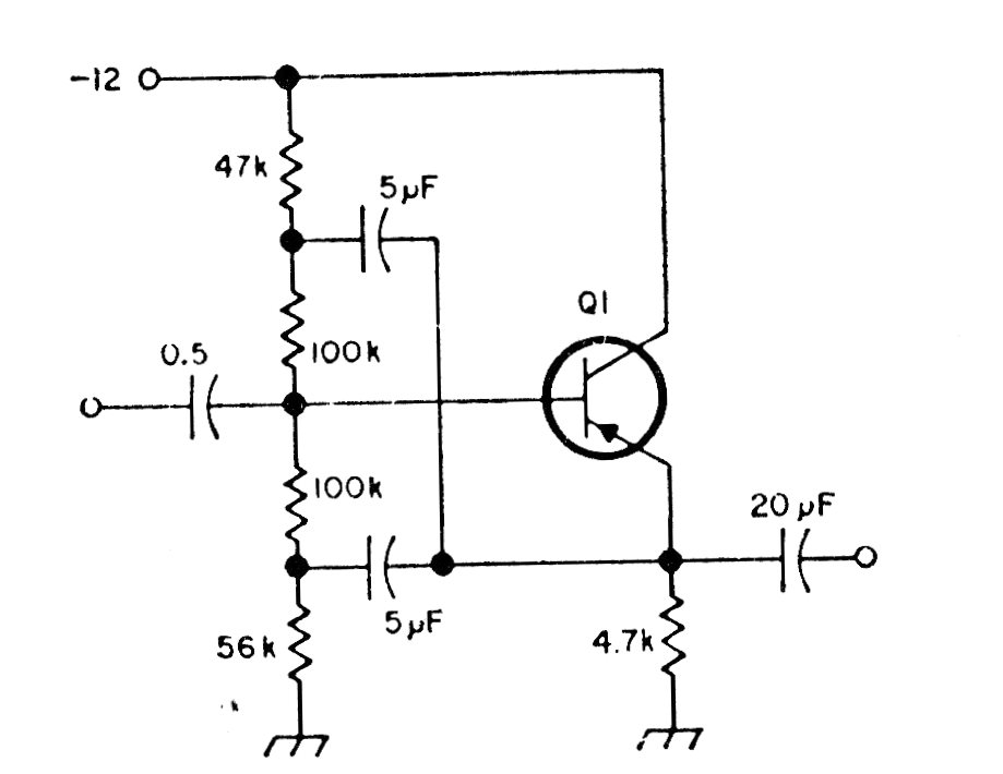
This preamplifier appears elsewhere in this section and this version was found in American documentation from the 1980s. The transistor can be any RF PNP, the input impedance is 20 M ohms, and the pass-through range is 10 to 200 kHz.
This preamplifier appears elsewhere in this section and this version was found in American documentation from the 1980s. The transistor can be any RF PNP, the input impedance is 20 M ohms, and the pass-through range is 10 to 200 kHz.