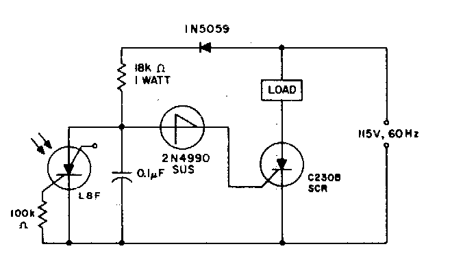
This circuit uses a photo-SCR or LASCR that is not a common component today. The relay depends on the load, and the power is supplied by the power grid.
Texas Instruments PCM5242 Audio Stereo Differential-Output DAC is a monolithic CMOS integrated...
Emitt This crystal-controlled oscillator can generate signals from 100 kHz to over 30MHz. The...
With this circuit it is possible to fire an SCR from the light that falls on a phototransistor. The circuit...