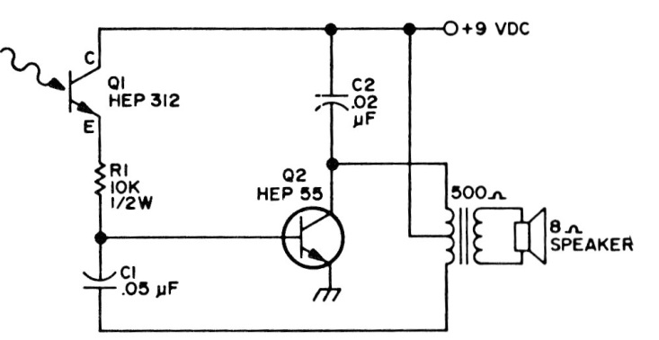
This Hartley oscillator uses an audio output transformer that can be obtained from small, unused transistor radios. The transistor can be any general purpose and the phototransistor of any type.
This Hartley oscillator uses an audio output transformer that can be obtained from small, unused transistor radios. The transistor can be any general purpose and the phototransistor of any type.