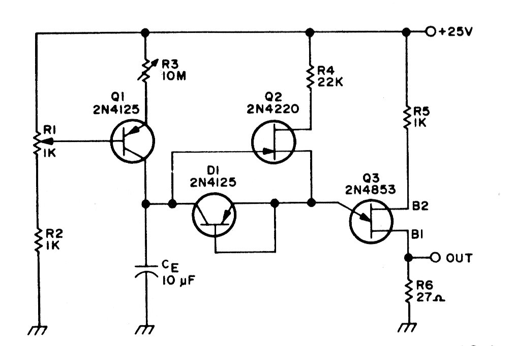
Using bipolar, FETs and unijunction this long-lasting timer can reach 10 hours with good quality capacitors. The circuit is from 80s documentation. The pulse produced at the end of the timing can be used to trigger a power stage with a relay or SCR.
Using bipolar, FETs and unijunction this long-lasting timer can reach 10 hours with good quality capacitors. The circuit is from 80s documentation. The pulse produced at the end of the timing can be used to trigger a power stage with a relay or SCR.