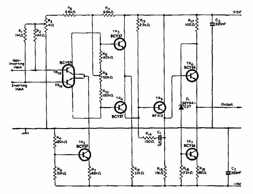
Suggested by Philips documentation from 1968, this circuit uses components from the era that can be replaced by modern equivalent types. The double transistor can be replaced by a matched pair.
This timer uses common components today. It activates a relay after intervals that can be adjusted up...
September 2016 - It can be obtained from Mouser Electronics the new ADC AD7779 from Analog Devices with...
Found in Popular Electronics from the 90s, this circuit consists of a timer that turns off the...