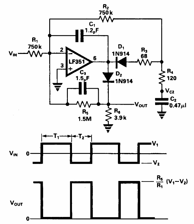
This operational clamping circuit was found in an American documentation from the 1980s. The source must be symmetrical, and the waveforms of the signals are given next to the diagram.
This timer uses common components today. It activates a relay after intervals that can be adjusted up...
September 2016 - It can be obtained from Mouser Electronics the new ADC AD7779 from Analog Devices with...
Found in Popular Electronics from the 90s, this circuit consists of a timer that turns off the...