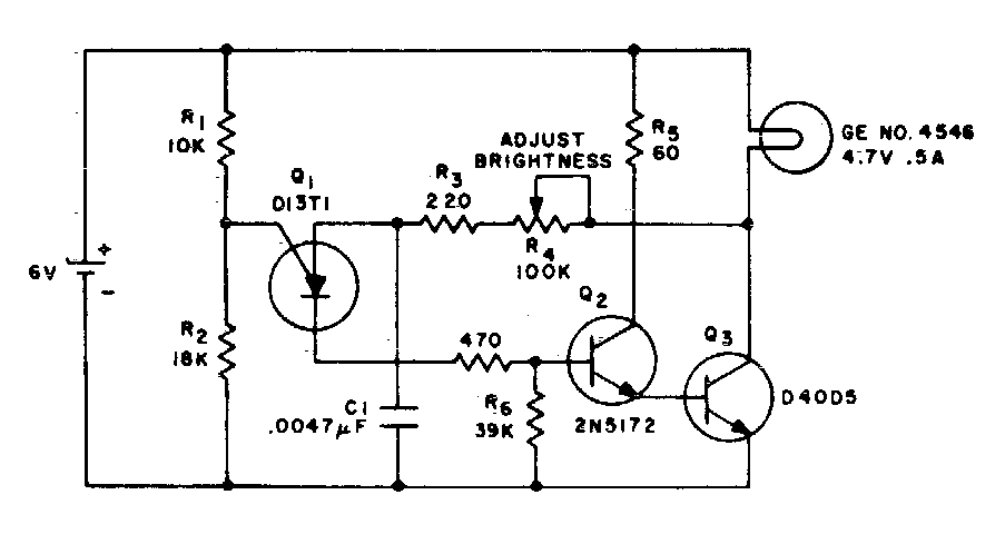
For a current of 5A and a supply of 6 V this circuit was found in documentation from the 70s. Transistors admit modern equivalents. Q1 is a PUT uncommon today.
This timer uses common components today. It activates a relay after intervals that can be adjusted up...
September 2016 - It can be obtained from Mouser Electronics the new ADC AD7779 from Analog Devices with...
Found in Popular Electronics from the 90s, this circuit consists of a timer that turns off the...