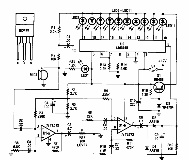
This sound meter or sonometer was found in a Popular Electronics from the 80's. The circuit can be easily implemented today, and the microphone is made of electret or ceramic.
This circuit measures the conductivity of a saline solution, which is affected by the electrolysis effect....
With this circuit it is possible to compare the values of two capacitors in the range of 100pF to...
For triggering with the negative transition of the input signal, the circuit indicated for 0 4047...