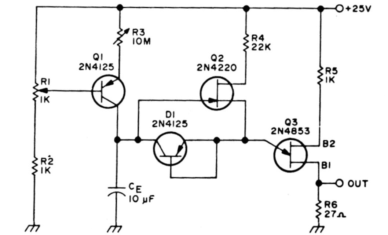
Timings of up to 10 hours, depending on the capacitor used, can be obtained with this circuit that we find in an American technical documentation from the 70s. Transistors admit equivalents. Circuits like this appear in this section but from other sources.




