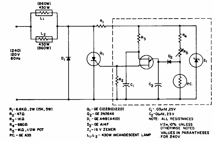
This circuit was found in an old factory documentation. The circuit uses single-junction transistor SCRs at the time. These components support modern equivalents.
We found these circuits in a Popular Electronics from the 90s. The circuit has a simple low power...
This LED diode test is suggested by the Texas Instruments optoelectronics manual. The transformer current...
This RF monitor or field strength meter can use instruments from 100 uA to 1 mA full scale. The...