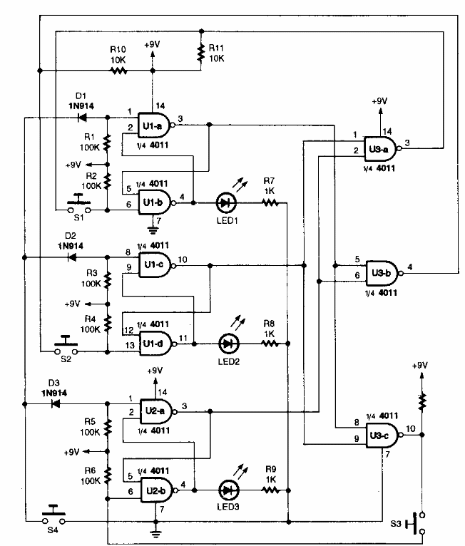
This game for 4 competitors was found in a Popular Electronics from the 80's. The circuit has CMOS technology and can be powered by voltages from 6 to 12 V.
The 78XX series voltage regulator integrated circuits do not support an input voltage greater than...
This is the complete circuit of a multimeter using a 50 uA instrument with a 2k coil. The circuit...
This circuit came out in a Popular Electronics from December 1995. It is a double T configuration that...