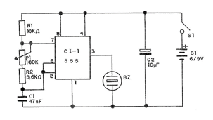
To fit the integrated circuit under test, we used an 8-pin DIL socket. Observe the fitting position of the integrated in the test. The resistors are 1 / 8W or larger and the capacitor is 47 nF. The potentiometer controls the frequency of the sound that the transducer produces. The transducer can be a microphone or crystal or ceramic earpiece. The circuit can be powered either with 4 small batteries or from a 9V battery. To use the device, plug the integrated circuit under test into the socket and turn on the power. Set P1 and the transducer should beep if the integrated circuit is OK.




