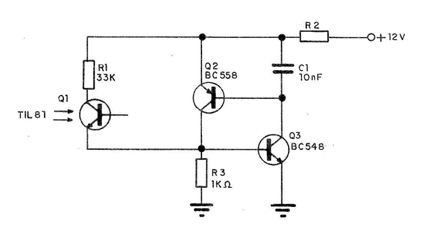
The circuit in the figure is very interesting because it simulates an SCR triggered by light. When the light falls on the phototransistor it conducts and feeds the regenerative switch through Q1. With this circuit, we can obtain a characteristic of negative resistance, which allows its use in the triggering of SCRs and other devices.




