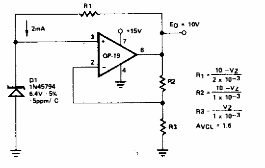
This high stability circuit was found in old documentation. The operational can be a modern equivalent of any kind. Next to the diagram are the formulas for calculating the components.

This high stability circuit was found in old documentation. The operational can be a modern equivalent of any kind. Next to the diagram are the formulas for calculating the components.
