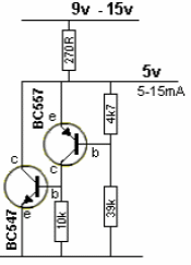
This is a higher current version of the previous circuit, obtained in recent English documentation. With it we can obtain an equivalent circuit for a 5 V zener diode with a current between 5 and 15 mA.

This is a higher current version of the previous circuit, obtained in recent English documentation. With it we can obtain an equivalent circuit for a 5 V zener diode with a current between 5 and 15 mA.
