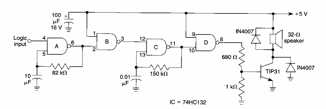
This variable oscillator with power step for alarms was found in an American documentation from the 90's. The power transistor must be equipped with a heat sink.
The 78XX series voltage regulator integrated circuits do not support an input voltage greater than...
This is the complete circuit of a multimeter using a 50 uA instrument with a 2k coil. The circuit...
This circuit came out in a Popular Electronics from December 1995. It is a double T configuration that...