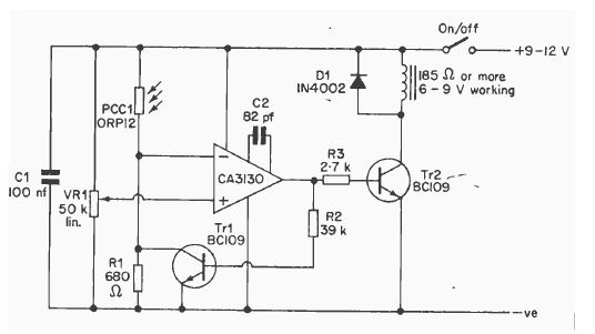
This circuit with the CA3130 has a feedback system that works as a lock. The circuit is from a 1977 publication. The relay is according to the supply voltage.

This circuit with the CA3130 has a feedback system that works as a lock. The circuit is from a 1977 publication. The relay is according to the supply voltage.
