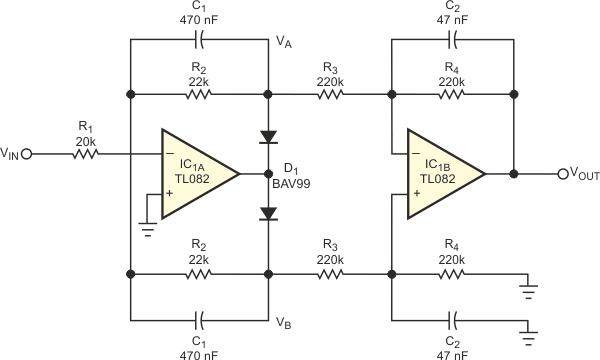
This circuit was found in a Texas Instruments Operational Amplifier manual. The output voltage is the average value of the input voltage. Equivalent operational amplifiers can be used.

This circuit was found in a Texas Instruments Operational Amplifier manual. The output voltage is the average value of the input voltage. Equivalent operational amplifiers can be used.
