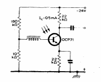
We found this circuit in a Mullard manual from 1960. The transistor is a phototransistor of the time. The gain is 3 dB.
The 78XX series voltage regulator integrated circuits do not support an input voltage greater than...
This is the complete circuit of a multimeter using a 50 uA instrument with a 2k coil. The circuit...
This circuit came out in a Popular Electronics from December 1995. It is a double T configuration that...