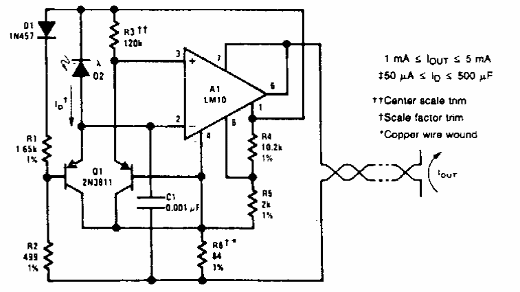
Found in a National Semiconductor manual, this circuit is intended for data transmission over a twisted pair, the signals being obtained from a photodiode.
May 2016 - It can be obtained from Mouser Electronics new connectors Ultra-Fit ™ series from Nikex for...
This 100 kHz crystal controlled oscillator was found in an American 1980s documentation. The...
This spot gun or spotlight for cars with a distributor (old models) was found in a publication from the...