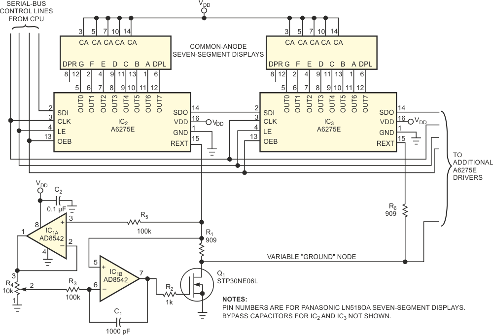
Based on Allegro's A6275, this circuit controls the brightness of various displays. The circuit is valid for common anode 7-segment displays.
We found this circuit in an old American manual. The formulas allow the gain to be calculated as a...
This circuit was obtained in a 90s documentation from Analog Devices. The sensitivity is in the...
This high input impedance and high output current circuit was found in 702 Motorola documentation. The...