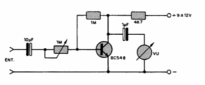
The instrument of this circuit can be a common microammeter. The circuit has its operating point adjusted in the trimpot.

The instrument of this circuit can be a common microammeter. The circuit has its operating point adjusted in the trimpot.