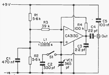
Using a CA3130, this circuit generates signals from approximately 550 kHz to 1.6 MHz using a common AM radio coil. The circuit is from a 1977 documentation.

Using a CA3130, this circuit generates signals from approximately 550 kHz to 1.6 MHz using a common AM radio coil. The circuit is from a 1977 documentation.
