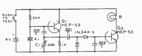
In a modern version this circuit can use an LED in series with a resistor in place of the lamp. The circuit is from an American documentation from 1977.

In a modern version this circuit can use an LED in series with a resistor in place of the lamp. The circuit is from an American documentation from 1977.
