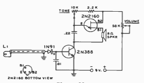
This telegraphy broadcast monitor delivers a signal to a speaker from a unijunction transistor oscillator. The circuit is from a 1977 publication.

This telegraphy broadcast monitor delivers a signal to a speaker from a unijunction transistor oscillator. The circuit is from a 1977 publication.
