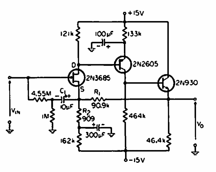
This circuit was found in old American documentation. It has 40 dB gain between 10 Hz and 10 kHz. Modern equivalent transistors can be used.
This sound effect circuit was obtained from an article in the April 1969 issue of Radio...
Found in a 1990 Electronics Handbook, this circuit causes an LED to flash when the phototransistor receives...
Found in the May 1997 issue of Electronics Now, this circuit produces a variety of sound effects for...