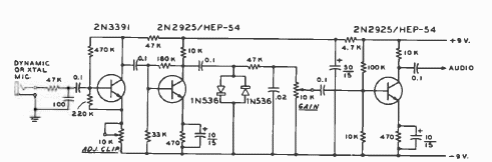
This circuit is suitable for modulating AM transmitters. The circuit is from a 1977 radio amateur documentation. Transistors are common types at the time.

This circuit is suitable for modulating AM transmitters. The circuit is from a 1977 radio amateur documentation. Transistors are common types at the time.
