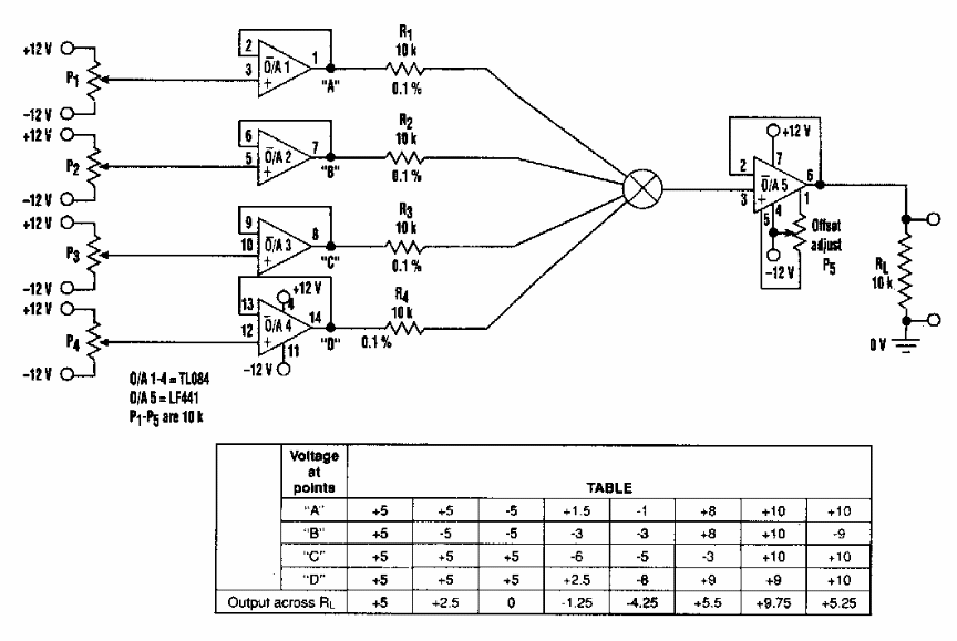
This circuit was found in an American documentation from the 90's. What it does is provide at the output a voltage that is the average of the voltages set for the inputs.
This sound effect circuit was obtained from an article in the April 1969 issue of Radio...
Found in a 1990 Electronics Handbook, this circuit causes an LED to flash when the phototransistor receives...
Found in the May 1997 issue of Electronics Now, this circuit produces a variety of sound effects for...