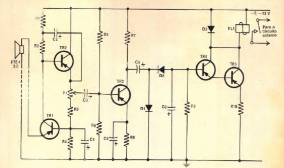
This circuit was found in Popular Electronics from 1969. The circuit uses a small speaker as a microphone. Modern equivalent transistors can be used.


This circuit was found in Popular Electronics from 1969. The circuit uses a small speaker as a microphone. Modern equivalent transistors can be used.

