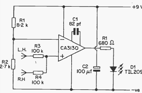
This peak indicator for stereo amplifiers uses a CA3130. The 80's circuit does not need a symmetrical power supply.
Found elsewhere in this section, this circuit is from the April 1971 Radio Electronics magazine. Note...
With this circuit, a relay can be activated from an alternating signal with frequency up to a few...
The sound of this experimental musical instrument is produced by the movement of the hand in front...