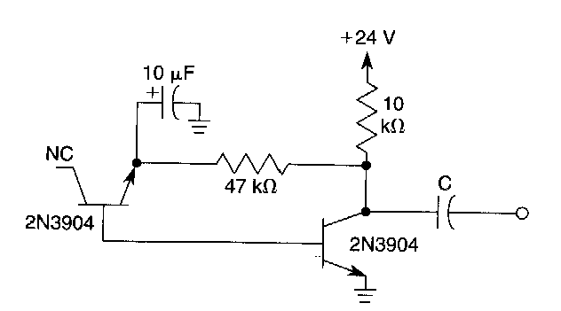
This circuit takes advantage of the base emitter junction of a general-purpose transistor to produce the signal. The noise generated is then amplified by another general-purpose transistor.

This circuit takes advantage of the base emitter junction of a general-purpose transistor to produce the signal. The noise generated is then amplified by another general-purpose transistor.
