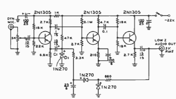
This circuit was found in a 1977 publication for radio amateurs. Transistors are common general-purpose types of the time.
This circuit was obtained in Motorola documentation from 1969. The components are from that time. In...
This constant current source is from the LM11's own factory manual used in the application. The circuit is...
This circuit produces a signal when the turn signal is on, preventing it from being forgotten in...