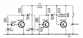
This 3-transistor circuit was found in a Mullard manual from 1960. The transistors are germanium of the time, and the listening is in a high impedance headphone.

This 3-transistor circuit was found in a Mullard manual from 1960. The transistors are germanium of the time, and the listening is in a high impedance headphone.
