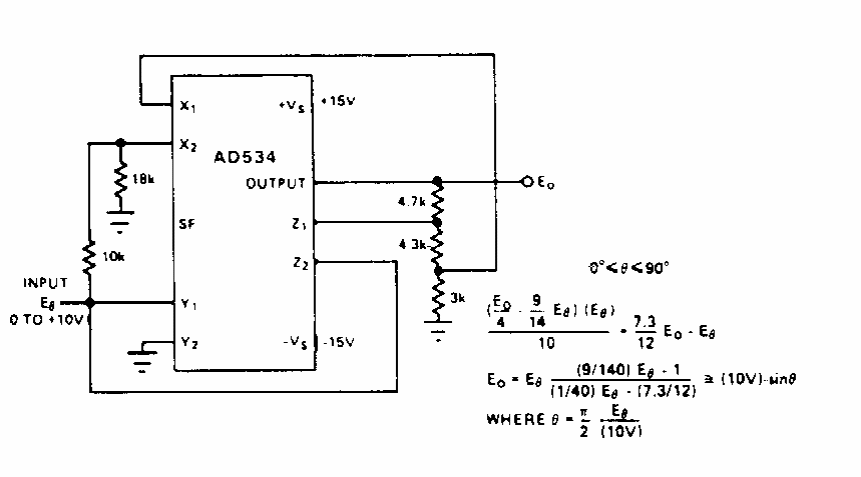
We found this circuit in an Analog Devices documentation from the 1990s. It provides an approximation for the sine ꬾ of an input voltage. It is used in analog computing.
This shield or interface makes it possible to control power loads connected to the power grid from...
This circuit is ideal for creating a source that allows the use of automotive power devices on a...
We found this circuit in a 90's Radio Electronics. The circuit can still be easily assembled as all...