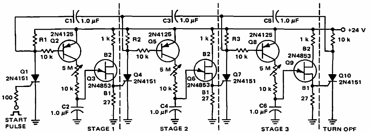
This circuit was found in Motorola documentation from 1968. Transistors can be modern equivalents, just like SCRs.
Although this version of electric fence is quite sophisticated due to the number of components it uses and...
Using the M1575 this switching converter was found in National Semiconductor documentation from...
This circuit was obtained from a 1985 Electronic Desing. The circuit uses a Darlington which may be...