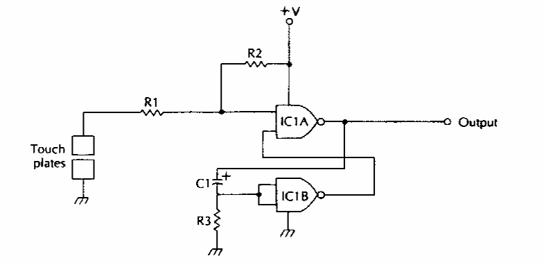
This timing circuit was found in old documentation. The technology is CMOS. The supply can be made with voltages from 3 to 12 V. The time depends on R1 and C1.
Although this version of electric fence is quite sophisticated due to the number of components it uses and...
Using the M1575 this switching converter was found in National Semiconductor documentation from...
This circuit was obtained from a 1985 Electronic Desing. The circuit uses a Darlington which may be...