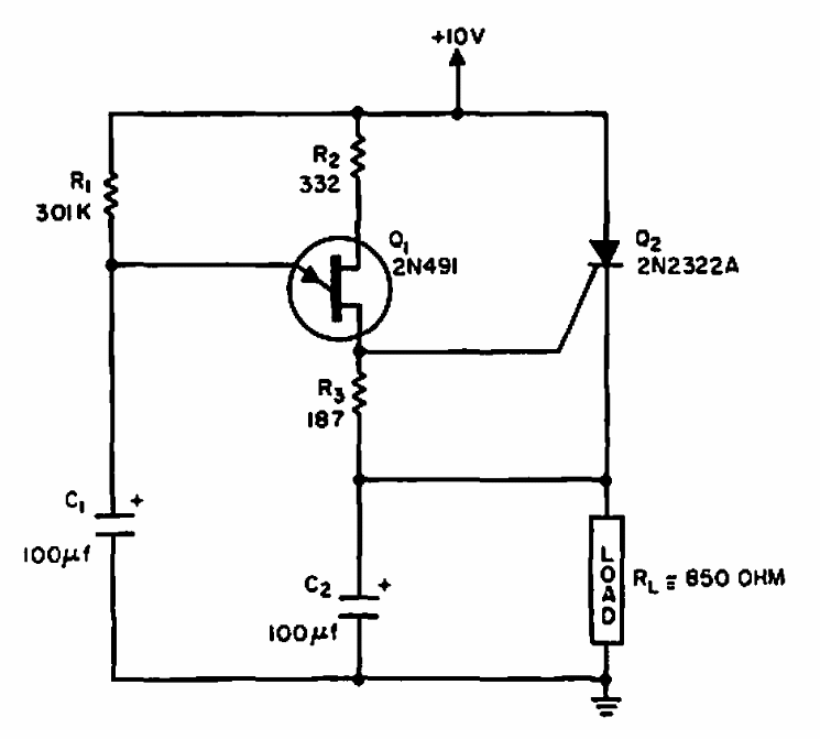
This 40-second delay switch was found in a 1965 Electronic Design. The unijunction transistor might be the 2N2646 and the SCR a sensitive modern equivalent.
Although this version of electric fence is quite sophisticated due to the number of components it uses and...
Using the M1575 this switching converter was found in National Semiconductor documentation from...
This circuit was obtained from a 1985 Electronic Desing. The circuit uses a Darlington which may be...