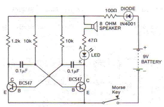
In the figure we have an astable multivibrator driving a speaker to produce audio signals for Morse code practice.
June 2017 - Mouser Electronics announced the availability of new low-power Bluetooth modules from...
In the figure we have the original version of an amplifier with high input impedance, 1.2 M ohms....
This sensitive circuit can be designed with FETs such as BF245 and MPF102. The sensor is a silicon...