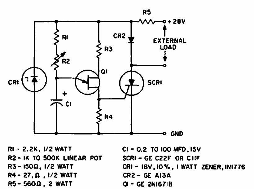
This circuit was taken from the 1967 General Electric SCR Manual. The circuit can use virtually any unijunction and SCR according to load.
This configuration was found in an American publication from the 90s. Operators admit equivalents just...
The circuit shown in the figure has basically the same configuration as any TTL oscillator, with...
This circuit with the PLL567 serves as a decoder for PWM modulated signals of frequencies up to...