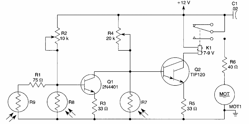
Found in Popular Electronics from the 90s, this circuit aims to drive a solar panel, constantly changing its position to follow the movement of the sun.
The circuit is from Motorola's Linear Databook from 1990, but the configuration is current because...
Found in a 90’s 73 magazine for radio amateurs, this circuit provides a few milliamps of output...
This is another one of the many versions of this circuit that we have in this section. We found it in...