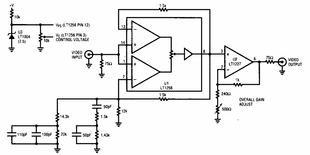
This circuit was found in a Linear Technology documentation from the 90's. The integrated circuits are from the time.
To obtain triangular signals, we have the circuit in the figure that uses two amplifiers. One of...
This circuit was found in an old Electronic Design. It makes use of sidacs and operational not very...
This circuit was found in an American publication from 1969. Transistors are from the time and can be...